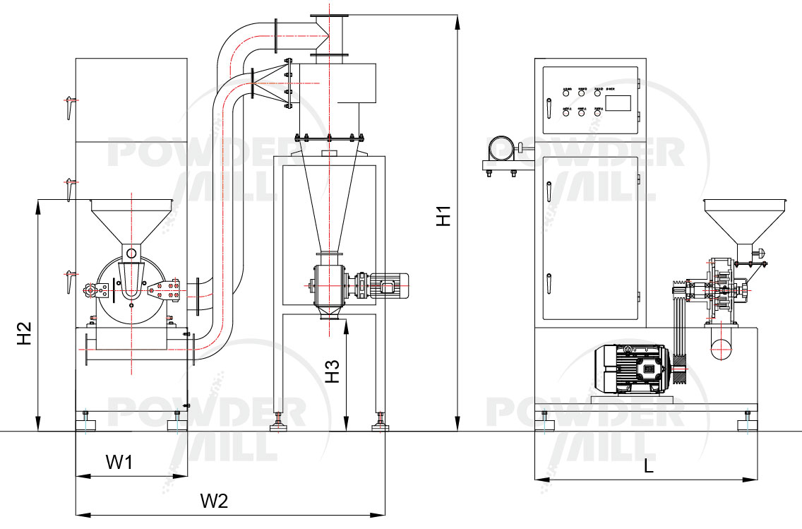
MR系列旋風脈沖吸塵粉碎機組(連體式)具有技術性能穩定、產量高、外觀美觀,適用范圍廣等特點。旋風脈沖吸塵粉碎機有主機、輔機、集管道、電控器定量加料裝置為一組。
* 生產能力:20-400kg/h
* 進料粒度:<10mm
* 出料目數:20-120目
MR系列旋風脈沖吸塵粉碎機組(連體式)具有技術性能穩定、產量高、外觀美觀,適用范圍廣等特點。旋風脈沖吸塵粉碎機對粉碎干燥纖維物料具有較理想的效果,與國內其它機型相比,制品濕度低,粒度均勻,特別適用于砂糖、塑料粉末、中藥等熱敏性物料的粉碎。
旋風脈沖吸塵粉碎機有主機、輔機、集管道、電控器定量加料裝置為一組。輔機有旋風和脈沖式除塵器,主機內裝有離心分級裝置,除可完成粉碎外,還具有分級功能,分選式離心剪切,無篩無網,粉狀顆粒可任意調節,物料粉碎后,采用負壓縮輸送之排料閥出口。旋風脈沖吸塵粉碎機組是制藥、食品、化工工業的理想機械。

| 型號 | 主要結構尺寸 | 生產能力 | 進料粒度 | 出料目數 | 主軸轉速 | 機器重量 | 總功率 | |||||
|---|---|---|---|---|---|---|---|---|---|---|---|---|
| L | W1 | W2 | H1 | H2 | H3 | Kg/H | mm | mesh | rpm | Kg | KW | |
| MR-20 | 1200 | 600 | 1600 | 2320 | 1250 | 650 | 20-100 | <10 | 20-120 | 4600 | 500 | 6.25 |
| MR-30 | 1250 | 600 | 1700 | 2540 | 1460 | 650 | 50-300 | <10 | 20-120 | 3800 | 700 | 10.45 |
| MR-40 | 1600 | 700 | 1850 | 2800 | 1600 | 650 | 100-400 | <10 | 20-120 | 3400 | 900 | 14.75 |
| 本公司可按用戶特殊要求定制生產。 | ||||||||||||

MR系列旋風脈沖粉碎機組(分體式)適用于制藥、化工、食品、磁性材料、粉體等行業,是粉碎、吸塵及連續出料為一體的新一代粉碎設備。...
MR系列自除塵粉碎機適用于制藥、化工、食品等行業,是微粉碎加工前道工序的配套設備,是粉碎與吸塵為一體的新一代粗粉碎設備。...
MR系列旋風脈沖吸塵粉碎機組(連體式)具有技術性能穩定、產量高、外觀美觀,適用范圍廣等特點。...
萬能粉碎機主要適用于醫藥、化工、農藥、食品及糧食等行業,用途極為廣泛。能粉碎設備結構簡單、堅固、運轉平穩、粉碎效果良好。...
MR系列微粉碎機由主機、輔機、電控箱三個部分組成,具有風選式、無篩、無網、出料粒度大小均勻等多種性能,生產過程連續進行。...
MR系列高效粉碎機采用混合噴粉法原理設計研制而成,廣泛適用于制藥、食品、化工等行業的物料粉碎。...
MR系列粗碎機適用于制藥、化工、食品等行業,是微粉碎加工前道工序的配套設備,不受物料粘度、硬度、軟度及纖維等限制,對所有物料都能起到較好的粉碎作用。...
MR系列中草藥/香辛料專用粉碎機組由錘片主機、超微主機、旋風分離器、脈沖除塵箱等部分組成,具有無篩、無網、出料粒度均勻等多種性能。...
MR系列針式研磨粉碎機的粉碎系統極其緊湊,可幫助客戶降低投資成本,減少空間需求以及降低清潔和維護成本。...
錘式粉碎機利用固定盤與活動錘片間的相對運動,使物料在機腔內被沖擊而快速獲得粉碎。粉碎研磨磨粉后的物料經離心力的作用,自進入捕集袋,粉塵有吸塵箱布袋過濾回收。...